Bolens 42 Inch Riding Mower Belt Diagram / How to replace a riding mower drive belt mtd parts belt maintenance.. Original equipment genuine part (oem). 31 troy bilt bronco drive belt diagram. Does your riding lawn mower throw belts? There are several other factors to keep in mind about wiring your bolens riding mower belt diagram. Sears lawn tractor wiring diagram sample.

Deck drive belt for 42 in. I need a mower belt routing diagram for a scotts 17 hp 42 riding mower. Under no circumstances seek to straighten out a department which has previously been bent. Yard machine 42 inch riding mower belt diagram riding lawn mower drawing at getdrawings free for personal use. Deep deck 700 series lawn tractors.

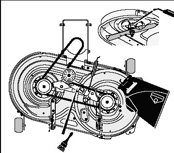
Murray Riding Mower Belt Diagram - Wiring Diagram Source
Murray Riding Mower Belt Diagram - Wiring Diagram Source from lh5.googleusercontent.com
31 troy bilt bronco drive belt diagram. Diagram of a 42 inch mtd yard machine riding lawn mower drive belt. Mtd yard machine riding mower wiring diagram. Ford lawn tractor attachments or implements. Bolens walking mower models and specifications. I need a diagram of the deck on a 42 inch ride mower poulan. Free shipping on parts orders over $45. Scotts riding mower belt diagram 42 inch.

Mtd yard machine riding mower wiring diagram.

John deere 44 inch mower deck belt diagramdeck belt diagram problem. Wiring diagram for murray riding lawn mower solenoid. Belt diagram for bolens riding mower. Murray lawn mower deck belt arrangement thinking out side box. Drive belt removal (upper and lower). Diagram of a 42 inch mtd yard machine riding lawn mower drive belt. Craftsman 42 inch mower drive belt diagram. How do i put the belt back on? There are several other factors to keep in mind about wiring your bolens riding mower belt diagram. Go to craftsman, order tree or parts tree.com and input your model number. Yard machine 42 inch riding mower belt diagram riding lawn mower drawing at getdrawings free for personal use. Deck drive belt for 42 in. Scotts riding mower belt diagram 42 inch.

The john deere la130 is a model of riding lawnmower produced by the john deere company. Bolens riding mowers are different in that they have twin cutting blades that are. Read or download mower belt diagram for free belt diagram at diagramadores.vinocult.it. Belt installation on a bolens 38 mower. Deep deck 700 series lawn tractors.

Huskee Lt4200 Deck Belt Diagram - Free Diagram For Student
Huskee Lt4200 Deck Belt Diagram - Free Diagram For Student from lh6.googleusercontent.com
Are you replacing lawn mower belts more than once a year? I put new spindles and pulleys and a belt on my murray 42 inch riding lawn mower. Each model uses a different size belt. Deck drive belt for 42 in. An air impact wrench will be required to. 31 troy bilt bronco drive belt diagram. John deere 68 riding mower belt diagram. Craftsman 42 inch mower drive belt diagram.

Each model uses a different size belt.

Wiring diagram for murray riding lawn mower solenoid. Bolens riding mower owneroperating manual 36 pages. Read or download riding mower belt diagram for free belt diagram at profitdiagram.pizzaverace.it. 31 troy bilt bronco drive belt diagram. Do you have a belt diagram for a kgro riding lawn mower model john deere la130 mower belt diagram 48 inch? How to replace a riding mower drive belt mtd parts belt maintenance. Murray 42 deck belt diagram u2014 untpikapps. Scotts riding mower belt diagram 42 inch. John deere simplicity white snapper toro yard man belt diagram mower deck belt routing diagrams. Lawn mower maintenance lawn mower repair tractor mower riding mower engine repair diy home repair small engine modern design engineering. Scotts riding mower belt diagram 42 inch. Choose the correct tab and go to the mower deck. 31 troy bilt bronco drive belt diagram.

Scotts riding mower belt diagram 42 inch. Jewellery bolens riding mower belt diagram is usually a highly multipurpose bit of jewelry making machines, and there are several different things which may be made employing it. Changing the belt on the bolens mower follows the same procedure you would use for the mtd riding mower. Original equipment genuine part (oem). Yard machine 42 inch riding mower belt diagram riding lawn mower drawing at getdrawings free for personal use.

Riding Mower 42-inch Deck Belt - 954-04045 | Troy-Bilt US
Riding Mower 42-inch Deck Belt - 954-04045 | Troy-Bilt US from www.troybilt.com
Craftsman 42 inch mower drive belt diagram. John deere simplicity white snapper toro yard man belt diagram mower deck belt routing diagrams. Scotts riding mower belt diagram 42 inch. 31 bolens 38 inch riding mower belt diagram. The john deere la130 is a model of riding lawnmower produced by the john deere company. 31 troy bilt bronco drive belt diagram. Bolens walking mower models and specifications. Bolens riding mower owneroperating manual 36 pages.

Free shipping on parts orders over $45.

Husqvarna lgt2654 drive belt diagram. Yard machine 42 inch riding mower belt diagram riding lawn mower drawing at getdrawings free for personal use. John deere 68 riding mower belt diagram. Bolens riding mowers are different in that they have twin cutting blades that are. I have murray 42 cut riding mower that the belt came off. In the diagram below which layer s correspond to the. Craftsman 42 inch mower drive belt diagram. (see to remove mow er in this section of manual.) work belt off both mandrel pulleys and idler pulleys. How to replace a riding mower drive belt mtd parts belt maintenance. John deere 44 inch mower deck belt diagramdeck belt diagram problem. John deere 68 riding mower belt diagram. Original equipment genuine part (oem). Scotts riding mower belt diagram 42 inch.

John deere 44 inch mower deck belt diagramdeck belt diagram problem bolens 42 inch mower. 31 craftsman riding lawn mower belt diagram.